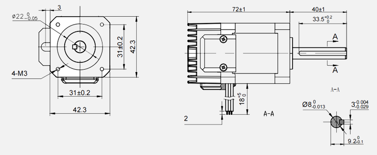
New developed integrated servo motor 42BSF from 3X Motion
3X Motion technologies has recently developed a new servo motor of 42mm size with built-in encode and drive.

This motor has several of the most advantageous product features:
· Support CANOpen (customization) /RS Modbus 485
· With position control/speed control/torque control three control methods, the system configuration is more flexible
· Compact structure, set BLDC motor, driver and encoder together, smaller volume, higher reliability
· Low voltage DC power supply 36V input, stable and reliable operation, small interference
· Power up to 63 W, suitable for a variety of micromotor applications
· Motor with overcurrent, overload, overvoltage, undervoltage, overspeed, position out of tolerance protection.
The product specifications here:
| Attributes | Units | Value |
| Model | 42BSF051C030X-08 | |
| Number of poles | 8 | |
| Number of phase | 3 | |
| Line-line resistance | Ω | 2.35 ± 10% |
| Line-line inductance | mH | 1.32 ± 20% |
| Rated voltage | VDC | 36 |
| Rated speed | RPM | 3000±10% |
| Rated torque | N.m | 0.2 |
| Rated current | A | 3 |
| Rated power | W | 63 |
| No-load speed | RPM | 4000 ± 10% |
Back E.M.F | V/KRPM | 6 |
| Rotor inertia | g.c㎡ | 6.5 ± 5% |
| Dielectric Strength | 1200VAC/2mA/1S | |
| Insulationg Resistance | ≥50MΩ/500VDC | |
| Insulation Class | Class B | |
| Ambient Temperature | ℃ | 0 ~ 40 |
| Storage Temperature | ℃ | -20 ~ 65 |
| Control Mode | 1. Position control 2. Speed Control 3. Torque Control | |
| Comunication Function | CANOpen & MODBUS RS485 | |
| Feedback Signal | SPI communication type magnetoelectric encoder(4096P/R) | |
| Protection Functions | Overcurrent, Overload, Overvoltage,Undervoltage,Overspeed,Position overshoot | |
| IP Level | IP40 |
